AXM和AXD结构类似,但体积更小,结构更紧凑,转速更高。

设计特点:
A.直驱无刷电机无中孔
B.集成编码器和轴承
C.低齿槽转矩
D.可选低速绕组或高速绕组
E.高扭矩密度
F.内置高精度光栅尺
| 电机规格 | 外径 | 高度 | 中孔 | 最大速度@峰值转矩 | 重复定位精度 | 转子惯量 |
| (mm) | (mm) | (mm) | (rpm) | (arc sec) | (kgm2) | |
AXM40-43 | 40 | 43 | - | 5000 | +/-10 | 1.18E-05 |
AXM60-50 | 60 | 50 | - | 3500 | +/-10 | 7.38E-05 |
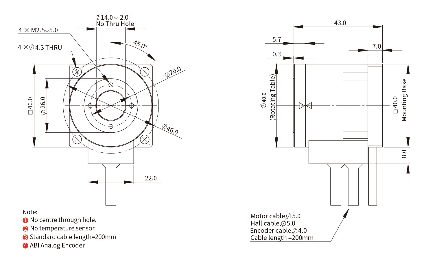
AXM40-43


直接驱动电机 (DDR) 是一种用于直接驱动荷载且无需任何传输机制(例如变速箱或皮带)的电机。这些电机也被称为力矩电机。它们通过使用高能永磁,产生高力矩。